Langsung ke konten utama

Pengenalan Diagram module MX 50

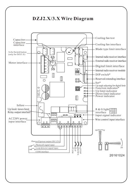
Ok untuk pengenalan wiring diagram mx 50 barrier gate yang sering kita jumpai di indonesia kita pelajari dulu pengenalam module mx 50 
lihat lah gambar di bawah 
gambar ini menunjukan cara wiring dan komponen pendukung parkir mx 50 masih bingung dengan skema ini ? ya bertahap saja pahami dulu skema module nya dulu lihat posisi com up down dan stop sudah tertulis untuk menaikan menurunkan dan stop barrier gate . adapun loop detector sebagai keamanan sudah ada input wiring nya di vehicle detector atau bisa di com dan loop detector . sekedar pemahaman dasar dulu untuk wiring nanti kita bisa sambung ke tutorial selanjutnya :D 

Komentar

Postingan populer dari blog ini

PEMILIHAN PERALATAN PARKIR OTOMATIS TIPS DAN TRICK

 Sering kita di buat bingung dengan banyaknya merk merk baru dan bermacam macam merk tapi sebenarnya modul dan mesin nya sama ? ya memang benar permasalhan pengelola parkir sering terkendala oleh banyak merk , apakah tehnologinya bagus dan systemnya aman ,  kita kupas tuntas seputar pemilihan barang merk dan apa aja yang cocok dengan pengelolaan parkir 1. Mesin parkir yang bagus bukan dari merk itally saja misalnya BFT , NICE ataupun buatan jerman Magnetic , tak luput dari tehnologi semua berfungsi sama buka dan tutup saja , cuman lebih mahal dan modern tapi sebenarnya partnya lebih mahal , saya lebih merekomendasikan MX 50 mau dari china mau dari malaysia ataupun merk baru tapi daleman sama seperti mx yang rata rata harga kisarannya 5-7 jtaan perunit bisa di cek di tokopedia bukalapak dan shopee itu bisa di pakai untuk waktu yang lumayan lama dengan keuntunan parkir yang lebih banyak 2.pemilihan manless parkir , sebenarnya itu cuman kaleng kosong saja yang di isi dengan print...